智慧雨排口
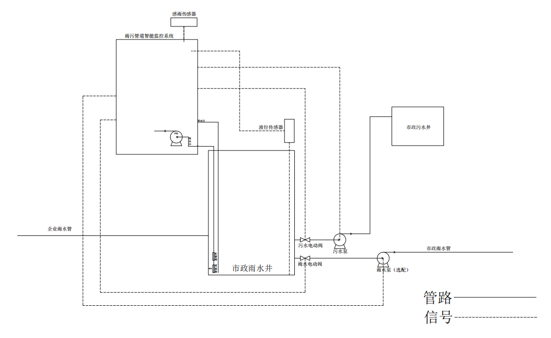
“智慧排口”采用雨污管道智能监控系统,实现pH、电导率、水温、COD(紫外吸收法)、氨氮(离子选择法)、总磷、液位信号、感雨信号等参数的监测。
“智慧排口”主要实现企业雨水混合后排入河道前的监测,确保零直排。通过水质自动监测微型站2控制大流量水泵运转,将混有污水的雨水作为污水处理,实现零排放。
设有主副双液位检测功能,正常情况下水位到达主液位时,启动电导率测量,以电导率测量结果作为雨水是否排入河道的判定条件,副液位用作备用液位,当主液位故障时,启动副液位,保证液位监测冗余可靠。
采用快速测量水质的技术方案进行雨水排放监测,进行雨水多个参数的监测,更加能够体现排放雨水水质状况,较原有智慧排口采用单一电导率监测的方式更加科学,满足降雨条件下的雨水是否排放入河道做快速判定,同时能分析出该点水质具体情况。
该监测方案与现行试点智慧排口方案结合,可以形成更加智慧的雨水排口,不仅能有效阻断超标雨水排向河道,同时能有效减轻污水处理厂不必要的负担。为河道零直排提供保障。
采用总磷代替原有总磷的监测方式,能够在保证水质监测结果有效的情况下大幅度减少监测时长,达到快速实时监测雨水排放口水质状况。

智慧排口工作原理
企业雨排口
企业雨水排放口,采用雨污管道智能监控系统,实现pH、水温、CODcr、氨氮、总磷、液位信号、感雨信号等参数的监测;一般涉水企业实现pH、水温、CODcr、总磷、液位信号、感雨信号等参数的监测。
企业雨水排放的监测。作为园区水监测的源头,对于后续监测非常重要,能以此推理出污染水体所在区域,对于治理工作的有序开展具有指导性意义。该系统在监测过程中,发现具有污染性的水样,系统会进行自动留样保存,为雨水污染溯源提供有效的证据来源。
重点涉水企业与非涉水企业区别对待。

企业排口采水原理
水ayx爱游戏官方app平台入口监管平台采用AI模型对水质基本情况以及入河排污口进行监管、利用机器学习算法构建断面水质预测预报模型、按照“因子分析-聚类分析-层次分析”构建水质溯源模型,实现水ayx爱游戏官方app平台入口预警与溯源两大功能,构建水ayx爱游戏官方app平台入口监管“测-管-评”机制,完善区域内水ayx爱游戏官方app平台入口监管联防联控体系。